
DIN EN 1092-1 Dimensioni delle flange PN 100
Le flange DIN EN 1092-1 PN 100 sono un set standardizzato di flange progettate per l'uso in sistemi di tubazioni ad alta pressione in cui la pressione massima consentita non supera PN 100 (100 bar o circa 1450 psi). Queste flange sono conformi allo standard DIN EN 1092-1 e sono comunemente utilizzate nei settori in cui si incontrano condizioni di pressione estreme. Ecco alcuni aspetti chiave delle flange DIN EN 1092-1 PN 100:
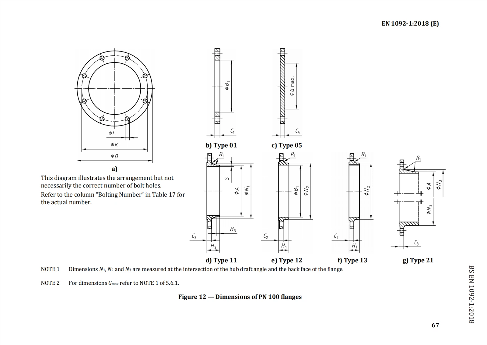
Tipi:Le flange PN 100 sono disponibili in vari tipi per adattarsi a diverse applicazioni, comprese le flange a collo saldato, slip-on, filettate, cieche e a saldare.
Dimensioni:Le dimensioni delle flange PN 100 sono standardizzate secondo lo standard DIN EN 1092-1. Ciò include le specifiche relative al diametro esterno, al diametro del foro, alla dimensione del foro del bullone, al diametro del cerchio del bullone, allo spessore e al diametro del mozzo.


Taglie:Le flange PN 100 sono prodotte in una gamma di dimensioni per adattarsi a diversi diametri di tubo. Le dimensioni comuni variano generalmente dal DN 10 al DN 2000 e oltre, a seconda dei requisiti specifici e delle capacità del produttore.
Materiali:Le flange PN 100 possono essere costruite con vari materiali adatti per applicazioni ad alta pressione. I materiali comuni includono acciaio al carbonio, acciaio inossidabile, acciaio legato e altri materiali ad alta resistenza.
Applicazioni:Le flange PN 100 sono utilizzate in industrie e applicazioni in cui sono richiesti sistemi di tubazioni ad altissima pressione. Queste applicazioni includono l'estrazione di petrolio e gas, la lavorazione chimica, gli impianti petrolchimici, la produzione di energia e i sistemi di tubazioni industriali ad alta pressione.
Nel complesso, le flange DIN EN 1092-1 PN 100 forniscono una soluzione affidabile e standardizzata per il collegamento di tubi e componenti in sistemi di tubazioni a pressione estrema, garantendo compatibilità, intercambiabilità e conformità agli standard di settore.
Etichetta sexy: din en 1092-1 dimensioni delle flange pn 100, Cina din en 1092-1 dimensioni delle flange pn 100 produttori, fornitori
IL prossimo Articolo
DIN EN 1092-1 Dimensioni delle flange PN 63Potrebbe piacerti anche
Invia la tua richiesta










