-
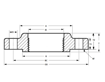
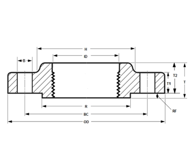
Mar 12, 2024ASME B16.5 Threaded Flange Class 2500 in inchesTHREADED CLASS 2500 Threaded flange dimensions class 2500 in inches (ASME B16.5) For ASME B16.5 Threaded Flanges, the dimensions can vary based on the nominal pipe size (NPS) and t -
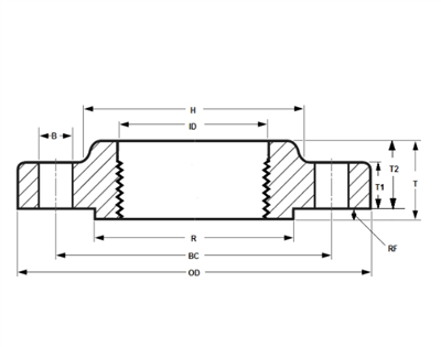
Mar 12, 2024Flangia filettata ASME B16.5 Classe 1500 in polliciCLASSE FILETTATA 1500 Dimensioni flangia filettata classe 1500 in pollici (ASME B16.5) Per le flange filettate ASME B16.5, le dimensioni possono variare in base alla dimensione nom -
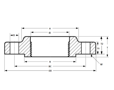
Mar 12, 2024Flangia filettata ASME B16.5 Classe 900 in polliciFILETTATA CLASSE 900 Dimensioni della flangia filettata classe 900 in pollici (ASME B16.5) Flange filettate Classe 900: Dimensioni nominali del tubo (NPS): varia da 1/2 pollice (DN -
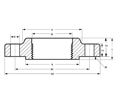
Mar 12, 2024Flangia filettata ASME B16.5 Classe 600 in polliciFILETTATA CLASSE 600 Dimensioni della flangia filettata classe 600 in pollici (ASME B16.5) Per le flange filettate ASME B16.5 in Classe 600, le dimensioni possono variare in base a -
Mar 12, 2024Flangia filettata ASME B16.5 Classe 400 in polliciFlangia filettata ASME B16.5 Classe 400 in pollici -
Mar 12, 2024Flangia filettata ASME B16.5 Classe 300 in polliciFlangia filettata ASME B16.5 Classe 300 in pollici -
Mar 12, 2024Flangia filettata ASME B16.5 Classe 150 in polliciFlangia filettata ASME B16.5 Classe 150 in pollici -
Mar 12, 2024Dimensioni della flangia del collo a saldare della Classe 2500Di seguito sono riportate le dimensioni approssimative di una flangia a collo di saldatura Classe 2500 secondo gli standard ASME B16.5, in pollici: Dimensione nominale del tubo (NP -
Mar 12, 2024Dimensioni della flangia del collo a saldare della Classe 1500Di seguito sono riportate le dimensioni approssimative di una flangia Weld Neck di Classe 1500 secondo gli standard ASME B16.5, in pollici: Dimensione nominale del tubo (NPS): vari -
Mar 12, 2024Dimensioni della flangia del collo a saldare di classe 900Le dimensioni della flangia del collo di saldatura Classe 900 aderiscono agli standard ASME B16.5 e variano in base alla dimensione nominale del tubo (NPS) della flangia. Ecco le d -
Mar 12, 2024Dimensioni della flangia del collo a saldare di classe 600Le dimensioni della flangia Welding Neck di classe 600, in conformità con gli standard ASME B16.5, variano in base alla dimensione nominale del tubo (NPS) della flangia. Di seguito -
Mar 12, 2024Dimensioni della flangia del collo a saldare di classe 400Le dimensioni della flangia del collo di saldatura Classe 400 seguono lo standard ASME B16.5 e, come altre classi di pressione, le dimensioni varieranno a seconda della dimensione





